Call: (310) 324-0055
Video Robotics
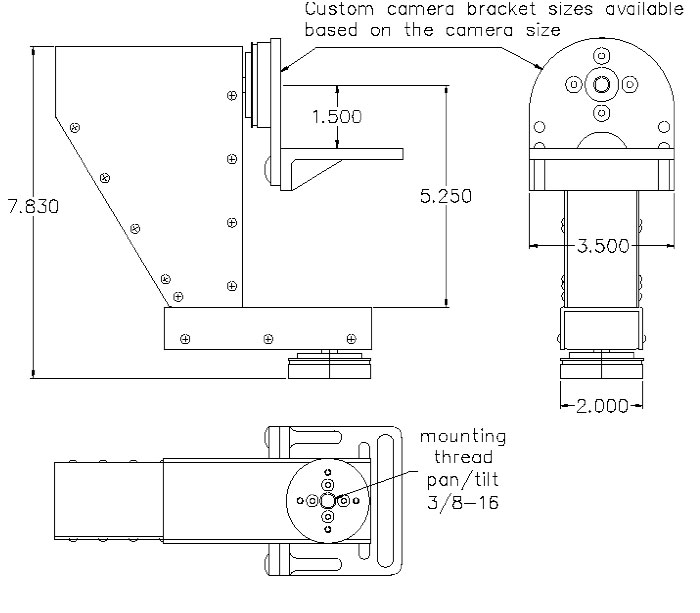
MiniMax2 Pan/Tilt VR-2032
Key Features
- Engineered and manufactured in USA
- Best price in its class
- Durable and rigid design
- Lightweight, anodized aluminum
- High performance Harmonic Drives
- Zero backlash
- LANC remote control interface
- IP, 10/100 Base-T Ethernet
- RS485 or RS232 serial control
- USB port
- IrDA
Specifications
- 8 open collector outputs for user defined control
- 8 general purpose inputs for user defined status indication
- 4-channel analog IN for user defined or analog PID control
- 4-channel analog OUT for user defined or analog PID control
- 4 limit switches inputs for user defined end of travel
- 2 high current relays for user defined control
- Pan travel: adjustable +/-165° w/endstops
- Tilt travel: adjustable +/-165° w/endstops
- Position accuracy: 0.04°
- Payload: 10lbs balanced
- Weight: 3lbs
- Power input: 24VDC/1.6A
System Accessory Options
- Tablet or PC
- Video Robotics user interface software (Windows based)
- USB Video Management (VM) Controller
- Network switches
- Dual-band wireless routers
- Directional Yagi antennas
- Camera power
- Zoom, focus, iris lens control
- Project-specific custom system modifications
- Rigid no-vibration wall and ceiling brackets